Por favor seleccione el país de entrega adecuado

Algunos factores como el precio de los productos, su disponibilidad u otros servicios pueden verse afectados por la selección del país de entrega.
Contacto
igus® S.L.U.

Ctra. Llobatona, 6

Poligono Noi del Sucre

08840 Viladecans Barcelona

+34 93 647 39 50
+34 93 647 39 51
ES(ES)

SHT-12-ZB-AWM-10x12

Tuercas de husillo sin blacklash en ejes lineales

El módulo lineal SHT aprobado ahora se complementa con un componente adicional, la tuerca de husillo autoajustable sin blacklash. Para los movimientos que requieren precisión de repetición y aquellos que se implementan utilizando un paso empinado de 10x12 y 10x50, el ZB proporciona un blacklash mínimo de por vida.

Libre lubricación y mantenimiento

Alta precisión independientemente de la carga

Retroceso automático

Silenciosa

Resistente a la corrosión


Áreas de aplicación:Laboratorio y tecnología médica, ingeniería mecánica en general

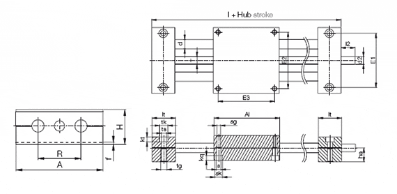
Tamaños [mm]

Número de pedido Longitud de la carrera Peso adicional
eje de acero
Máx. capacidad de carga estática A Al H E1 E2 E3    
    [kg] (por 100 mm)[kg] axial[N] radial[N] -0,3 -0,3   +0,15 +0,15 +0,15    
Plazos de entrega bajo petición, ¡Consúltenos! SHT-08-ZB-AWM-6.35X12.7 (1) 300 0 100 400 65 65 23 52 55 55 a petición Añadir al carrito de la compra
Plazos de entrega bajo petición, ¡Consúltenos! SHT-08-ZB-AWM-6X2P1 (1) 300 0 100 400 65 65 23 52 55 55 a petición Añadir al carrito de la compra
Salida desde 10 días laborables SHT-12-ZB-10X12 (1) 500 0,8 0,2 150 600 85 34 70 73 73 a petición Añadir al carrito de la compra
Más información sobre el producto seleccionado:
3D-CAD 3D-CAD
Solicitud de muestra Solicitud de muestra
PDF PDF
Consulta de precio Consulta de precio
myCatalog myCatalog

(1) Extremo de perno cónico

Número de pedido I R f lt tk
±0,1
ts tg kt
±0,1
s sk sg kq d T l2 d2 ha
Plazos de entrega bajo petición, ¡Consúltenos! SHT-08-ZB-AWM-6.35X12.7 (1) 96 32 1,5 15,5 10 5,5 M6 7 4,2 8 M5 4,6 8 6,35x12,7 17 6,35 13
Plazos de entrega bajo petición, ¡Consúltenos! SHT-08-ZB-AWM-6X2P1 (1) 96 32 1,5 15,5 10 5,5 M6 7 4,2 8 M5 4,6 8 TR6x2 17 TR6x2 13
Salida desde 10 días laborables SHT-12-ZB-10X12 (1) 2 11 6,6 M8 6,4 6,3 10 M6 6 12 10x12 17 10x12
Más información sobre el producto seleccionado:
3D-CAD 3D-CAD
Solicitud de muestra Solicitud de muestra
PDF PDF
Consulta de precio Consulta de precio
myCatalog myCatalog

(1) Extremo de perno cónico


Salida desde 10 días laborables
Plazos de entrega bajo petición, ¡Consúltenos!

Consultas

Estaré encantado de responder a sus preguntas personalmente

Consultas y envíos

En persona:

De lunes a viernes de 8:00 a 18:00h

Online:

24h