Por favor seleccione el país de entrega adecuado

Algunos factores como el precio de los productos, su disponibilidad u otros servicios pueden verse afectados por la selección del país de entrega.
Contacto
igus® S.L.U.

Ctra. Llobatona, 6

Poligono Noi del Sucre

08840 Viladecans Barcelona

+34 93 647 39 50
+34 93 647 39 51
ES(ES)

Actuador lineal de perfil plano drylin® SLN motorizado

Actuador lineal motorizado

Diseño compacto

Funcionamiento libre de lubricación basado en la guía en miniatura drylin® N

Actuador linealen miniatura monitorizado listo para instalar y probado

Rodamiento de bolas para un funcionamiento optimizado y dinámico

Disponible en tres pasos de husillos: paso M5 (5x0,8mm), rosca helicoidal 5x5 y 6x12,7

SLN-27-14 Carro con ajustes de backlash y altura manuales, rodamiento de bolas de husillo montado
 
SLN-27-15 Carro con pretensado axial y ajustes de backlash y altura manuales, rodamiento de bolas de husillo montado

Motor integrado motor paso a paso NEMA 11 con cable trenzado par de mantenimiento Mo 0,13 Nm, tamaño de conexión 28x28 mm
 
Opciones: Directo y libre en el perfil de interruptores de proximidad posicionables
Referencia IK-0052 Kit de interruptor de proximidad con soporte para SLN, inductivo, PNP, más abierto/NC
Referencia IK-0053 Kit de interruptor de proximidad con soporte para SLN, inductivo, PNP más cerrado/NO
 
 
Todas las variantes están disponibles listas para conectar en longitudes de carrera de 100/150/200/250 mm. Sin embargo, también pueden solicitarse otras longitudes de carrera bajo petición.
 
Ventajas adicionales para todos los diseños: En todos los diseños, los sensores pueden conectarse directamente y posicionarse libremente en el perfil
 
Áreas de aplicación más frecuentes: Máquinas automatizadas, equipo de laboratorio médico, equipos de pruebas

Productos de la gama:

Información técnica

Número de pedido Longitud de la carrera Peso Adicional
(por cada 100 mm)
Máx. capacidad de carga estática
Máx.
velocidad
Máx.
par de accionamiento
   
    [g] [g] axial[N] radial[N] [h/min] [Nm]    
SLN-27-14-0050-100-11-L-S-000 100 60 40 10 40 300 0,1 a petición Añadir al carrito de la compra
SLN-27-14-0050-150-11-L-S-000 150 60 40 10 40 300 0,1 a petición Añadir al carrito de la compra
SLN-27-14-0050-200-11-L-S-000 200 60 40 10 40 300 0,1 a petición Añadir al carrito de la compra
SLN-27-14-0050-250-11-L-S-000 200 60 40 10 40 300 0,1 a petición Añadir al carrito de la compra
SLN-27-15-0050-100-11-L-S-000 100 60 40 10 40 300 0,1 a petición Añadir al carrito de la compra
SLN-27-15-0050-150-11-L-S-000 150 60 40 10 40 300 0,1 a petición Añadir al carrito de la compra
SLN-27-15-0050-200-11-L-S-000 200 60 40 10 40 300 0,1 a petición Añadir al carrito de la compra
SLN-27-15-0050-250-11-L-S-000 250 60 40 10 40 300 0,1 a petición Añadir al carrito de la compra
Más información sobre el producto seleccionado:
3D-CAD 3D-CAD
Solicitud de muestra Solicitud de muestra
Consulta de precio Consulta de precio
myCatalog myCatalog

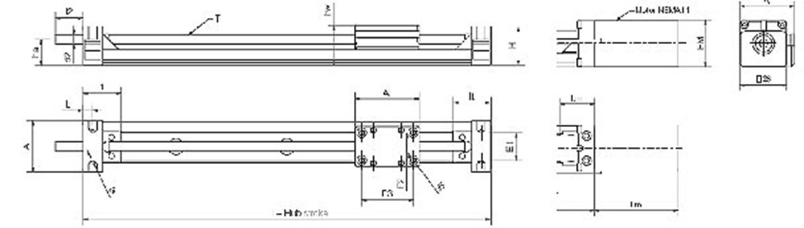
Tamaños [mm]

Número de pedido A Al H E1 E2 E3 l hw lt lb ts tg T d2 l2 ha    
  ±0,2 -0,1 ±0,2 ±0,15 ±0,15 ±0,15   ±0,2 ±0,2                
SLN-27-14-0050-100-11-L-S-000 28 35 21,5 20,5 15 28 76 22 20,2 5 3,5 M3 5x5 M5 15 14 a petición Añadir al carrito de la compra
SLN-27-14-0050-150-11-L-S-000 28 35 21,5 20,5 15 28 76 22 20,2 5 3,5 M3 5x5 M5 15 14 a petición Añadir al carrito de la compra
SLN-27-14-0050-200-11-L-S-000 28 35 21,5 20,5 15 28 76 22 20,2 5 3,5 M3 5x5 M5 15 14 a petición Añadir al carrito de la compra
SLN-27-14-0050-250-11-L-S-000 28 35 21,5 20,5 15 28 76 22 20,2 5 3,5 M3 5x5 M5 15 14 a petición Añadir al carrito de la compra
SLN-27-15-0050-100-11-L-S-000 28 35 21,5 20,5 15 28 76 22 20,2 5 3,5 M3 5x5 M5 15 14 a petición Añadir al carrito de la compra
SLN-27-15-0050-150-11-L-S-000 28 35 21,5 20,5 15 28 76 22 20,2 5 3,5 M3 5x5 M5 15 14 a petición Añadir al carrito de la compra
SLN-27-15-0050-200-11-L-S-000 28 35 21,5 20,5 15 28 76 22 20,2 5 3,5 M3 5x5 M5 15 14 a petición Añadir al carrito de la compra
SLN-27-15-0050-250-11-L-S-000 28 35 21,5 20,5 15 28 76 22 20,2 5 3,5 M3 5x5 M5 15 14 a petición Añadir al carrito de la compra
Más información sobre el producto seleccionado:
3D-CAD 3D-CAD
Solicitud de muestra Solicitud de muestra
Consulta de precio Consulta de precio
myCatalog myCatalog

Módulo lineal con motor
Tamaños [mm]

Número de pedido ltm HM AI li l Lm    
SLN-27-14-0050-100-11-L-S-000 20,5 28 33 25 83 variable a petición Añadir al carrito de la compra
SLN-27-14-0050-150-11-L-S-000 20,5 28 33 25 83 a petición Añadir al carrito de la compra
SLN-27-14-0050-200-11-L-S-000 20,5 28 33 25 83 a petición Añadir al carrito de la compra
SLN-27-14-0050-250-11-L-S-000 20,5 28 33 25 83 a petición Añadir al carrito de la compra
SLN-27-15-0050-100-11-L-S-000 20,5 28 33 25 83 a petición Añadir al carrito de la compra
SLN-27-15-0050-150-11-L-S-000 20,5 28 33 25 83 a petición Añadir al carrito de la compra
SLN-27-15-0050-200-11-L-S-000 20,5 28 33 25 83 a petición Añadir al carrito de la compra
SLN-27-15-0050-250-11-L-S-000 20,5 28 33 25 83 a petición Añadir al carrito de la compra
Más información sobre el producto seleccionado:
3D-CAD 3D-CAD
Solicitud de muestra Solicitud de muestra
Consulta de precio Consulta de precio
myCatalog myCatalog

Plazos de entrega bajo petición, ¡Consúltenos!

Consultas

Estaré encantado de responder a sus preguntas personalmente

Consultas y envíos

En persona:

De lunes a viernes de 8:00 a 18:00h

Online:

24h