Por favor seleccione el país de entrega adecuado

Algunos factores como el precio de los productos, su disponibilidad u otros servicios pueden verse afectados por la selección del país de entrega.
Contacto
igus® S.L.U.

Ctra. Llobatona, 6

Poligono Noi del Sucre

08840 Viladecans Barcelona

+34 93 647 39 50
+34 93 647 39 51
ES(ES)

Serie E1.10, apertura por el radio exterior

Serie E1.10
Imagen de la ES1.10

Referencia: Longitud del segmento A Segmentos/m Bi Ba R H D K Ha Hi T Peso
cadena portacables [mm] [mm] [kg/segmento]
Salida desde 4 días laborables E1.10.013.018.0 200 5 13 7 18 62 66 100 15,5 10 25 0,0164 5,40 EUR Añadir al carrito de la compra
Más información sobre el producto seleccionado:
3D-CAD 3D-CAD
Solicitud de muestra Solicitud de muestra
PDF PDF
Consulta de precio Consulta de precio
myCatalog myCatalog

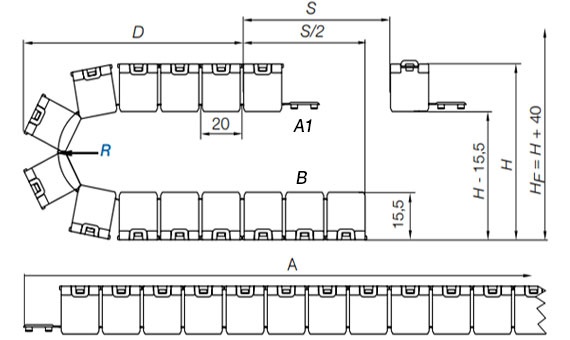
Tamaños de instalación

Serie ES1.10
 
A = Longitud del segmento [mm]
A1 = Extremo móvil
B = Extremo fijo
S = Longitud de recorrido
R = Radio de curvatura
H = Holgura vertical nominal
HF = Altura libre necesaria
D = Longitud de extensión, radio en la posición final


Salida desde 4 días laborables

Consultas

Estaré encantado de responder a sus preguntas personalmente

Consultas y envíos

En persona:

De lunes a viernes de 8:00 a 18:00h

Online:

24h