Por favor seleccione el país de entrega adecuado

Algunos factores como el precio de los productos, su disponibilidad u otros servicios pueden verse afectados por la selección del país de entrega.
Contacto
igus® S.L.U.

Ctra. Llobatona, 6

Poligono Noi del Sucre

08840 Viladecans Barcelona

+34 93 647 39 50
+34 93 647 39 51
ES(ES)

Serie E1.17 - apertura por presión a lo largo del radio exterior

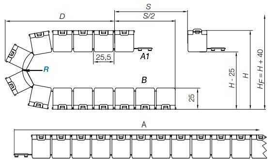
Plano de la serie E1.17

Referencia Longitud del segmento A Bi Ba R H D K Ha Hi T Peso
Cadenas portacables [mm] [mm] [mm] [kg/segmento]
Salida desde 4 días laborables E1.17.021.028.0 255 21 26 28 92 76 120 25 17 25,5 0,046 5,61 EUR Añadir al carrito de la compra
Salida desde 4 días laborables E1.17.031.028.0 204 31 36 28 92 76 120 25 17 25,5 0,048 5,76 EUR Añadir al carrito de la compra
Salida desde 4 días laborables E1.17.044.028.0 255 44 49 28 92 76 120 25 17 25,5 0,07 5,91 EUR Añadir al carrito de la compra
Más información sobre el producto seleccionado:
3D-CAD 3D-CAD
Solicitud de muestra Solicitud de muestra
PDF PDF
Consulta de precio Consulta de precio
myCatalog myCatalog
Serie E1.17
Terminal compacto y universal E1.17.021:
N.º de art. E1.170.021.TS  Pedir
Serie ES1.17
A = Longitud del segmento [mm]
A1 = Extremo móvil
B = Extremo fijo
S = Longitud de recorrido
R = Radio de curvatura
H = Holgura vertical nominal
HF = Altura libre necesaria
D = Longitud de extensión, radio en la posición final


Salida desde 4 días laborables

Consultas

Estaré encantado de responder a sus preguntas personalmente

Consultas y envíos

En persona:

De lunes a viernes de 8:00 a 18:00h

Online:

24h