Por favor seleccione el país de entrega adecuado

Algunos factores como el precio de los productos, su disponibilidad u otros servicios pueden verse afectados por la selección del país de entrega.
Contacto
igus® S.L.U.

Ctra. Llobatona, 6

Poligono Noi del Sucre

08840 Viladecans Barcelona

+34 93 647 39 50
+34 93 647 39 51
ES(ES)

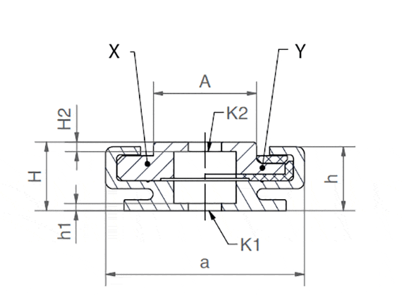
drylin® N - sistema de guiado lineal de perfil plano NK-12-27-80

Versión 02 - estándar con pin de rosca
Nº de art. Longitudes de raíl máx. a C4 A3 C5=C6 h h1 K1* ly lz Peso del raíl Precio/m  
  [L máx.]       Mín. max.       [mm2] [mm2] [g/m]    
Salida desde 1 día laborable NS-01-27 3000 27 60 0 20 49,5 9 1,1 M4 6524 588 290 33,65 EUR Añadir al carrito de la compra
Salida desde 1 día laborable NS-01-27-UNGEBOHRT 3000 27 0 0 9 1,1 0 6524 588 290 30,62 EUR Añadir al carrito de la compra
Salida desde 1 día laborable NS-01-27-AR 3000 27 60 0 20 49,5 9 1,1 M4 6524 588 290 40,39 EUR Añadir al carrito de la compra
Más información sobre el producto seleccionado:
3D-CAD 3D-CAD
Solicitud de muestra Solicitud de muestra
PDF PDF
Consulta de precio Consulta de precio
myCatalog myCatalog

Para guías no perforadas, indique "Sin perforar" en el comentario.
* para tornillo de cilindro con cabeza baja

Versión 12: sobremoldeado con agujero roscado

Nº de art. Nº. de art. Peso del carro    
    [g]    
Salida desde 10 días laborables NW-12-27-80-LLZ Carro, cojinete flotante en dirección "Z" 25 9,83 EUR Añadir al carrito de la compra
Salida desde 10 días laborables NW-12-27-80-LLY Carro, cojinete flotante en dirección "Y" 25 9,83 EUR Añadir al carrito de la compra
Salida desde 1 día laborable NW-12-27-80-LLYZ Carro, cojinete flotante en direcciones "Y" y "Z" 25 9,83 EUR Añadir al carrito de la compra
Más información sobre el producto seleccionado:
3D-CAD 3D-CAD
Solicitud de muestra Solicitud de muestra
PDF PDF
Consulta de precio Consulta de precio
myCatalog myCatalog

Versión 12: Tamaños [mm] - carros de guiado

Nº de art. H A C C1 C2 H2 K K3 Spmin. DpØmin. Peso    
  ±0,35                       [g/m]    
Salida desde 10 días laborables NW-12-27-80-LLZ 9,5 14 80 76 60 0 0 M4 5 6,5 25 9,83 EUR Añadir al carrito de la compra
Salida desde 10 días laborables NW-12-27-80-LLY 9,5 14 80 76 60 0 0 M4 5 6,5 25 9,83 EUR Añadir al carrito de la compra
Salida desde 1 día laborable NW-12-27-80-LLYZ 9,5 14 80 76 60 0 0 M4 5 6,5 25 9,83 EUR Añadir al carrito de la compra
Más información sobre el producto seleccionado:
3D-CAD 3D-CAD
Solicitud de muestra Solicitud de muestra
PDF PDF
Consulta de precio Consulta de precio
myCatalog myCatalog

Solicite un sistema completo

Configuración en solo unos pocos pasos:

1. Seleccione el número de carros
2. Seleccione el tipo de carro
3. Introduzca la longitud del carro en mm
4. Sleecione las opciones del carro
5. Seleccione las opciones del raíl.

Aviso:

Encontrará más información en las fichas y planos técnicos, así como en los enlaces que se muestran a continuación. Por ejemplo, especificaciones sobre los tipos de cojinetes flotantes y las instrucciones de instalación.
1

Cojinete sin holgura

2

Cojinete con holgura en el eje Z

3

Cojinete con holgura en el eje Y

4

Cojinete con holgura en los ejes YZ

drylin® NK-12-27-80 – sistema completo

Paso 1

Introduzca el número de carros.

technical drawing
Nº de carros:

X = Versión: una pieza | Y = Versión: varias piezas


Salida desde 1 día laborable
Salida desde 10 días laborables

Consultas

Estaré encantado de responder a sus preguntas personalmente

Consultas y envíos

En persona:

De lunes a viernes de 8:00 a 18:00h

Online:

24h