Por favor seleccione el país de entrega adecuado

Algunos factores como el precio de los productos, su disponibilidad u otros servicios pueden verse afectados por la selección del país de entrega.
Contacto
igus® S.L.U.

Ctra. Llobatona, 6

Poligono Noi del Sucre

08840 Viladecans Barcelona

+34 93 647 39 50
+34 93 647 39 51
ES(ES)

Mesa lineal SHTP-FF con sistema de apertura rápida

Las mesas lineales SHTP cuentan con una rosca de avance rápido que ofrece un posicionamiento preciso mediante un ajuste rápido y manual.

Fabricación en plástico sólido y de peso ligero

Para cambios rápidos de formato

Freno incluido

Selección sin restricciones de la longitud de la carrera

Recomendada para aplicaciones horizontales

Máx. carga estática axial: 200 N

Carga axial dinámica máx. 50 N

SHTP-FF

Adecuados para estos artículos:


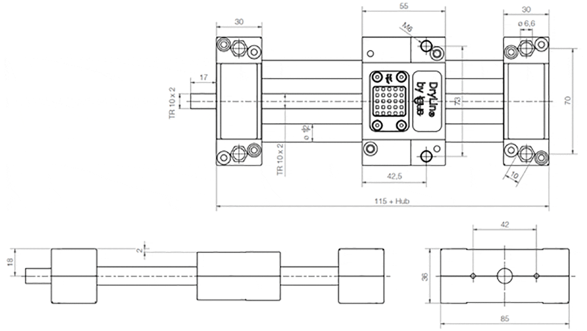
Nº Nº A Al H E1 E2 E3 l R f lt tk ts kt
  -0,3 -0,3   ±0,15 ±0,15 ±0,15 [mm] [mm] [mm] ±0,1 ±0,1    
Salida desde 10 días laborables SHTP-01-12-AWM-FF (1) 85 55 36 70 73 42,5 115 42 2 30 10 6,6 0
Más información sobre el producto seleccionado:
3D-CAD 3D-CAD
Solicitud de muestra Solicitud de muestra
PDF PDF
Consulta de precio Consulta de precio
myCatalog myCatalog

(1) láminas deslizantes y tuercas de rosca trapezoidal de iglidur® J

Nº Nº sg d T l2 d2* ha Máx.
longitud de carrera
Peso Peso adicional
 
   
          Estándar   [mm] [kg] por cada 100 mm    
Salida desde 10 días laborables SHTP-01-12-AWM-FF (1) M6 12 TR10x2 17 TR10x2 18 500 0,35 0,11 a petición Añadir al carrito de la compra
Más información sobre el producto seleccionado:
3D-CAD 3D-CAD
Solicitud de muestra Solicitud de muestra
PDF PDF
Consulta de precio Consulta de precio
myCatalog myCatalog

(1) láminas deslizantes y tuercas de rosca trapezoidal de iglidur® J

Más información:


Adecuados para estos artículos:

Salida desde 1 día laborable Resumen de la gama de productos drylin® E

Componentes drylin® libres de lubricación y en continuo desarrollo para la tecnología de accionamiento.

Salida desde 1 día laborable
Salida desde 10 días laborables

Consultas

Estaré encantado de responder a sus preguntas personalmente

Consultas y envíos

En persona:

De lunes a viernes de 8:00 a 18:00h

Online:

24h