Por favor seleccione el país de entrega adecuado

Algunos factores como el precio de los productos, su disponibilidad u otros servicios pueden verse afectados por la selección del país de entrega.
Contacto
igus® S.L.U.

Ctra. Llobatona, 6

Poligono Noi del Sucre

08840 Viladecans Barcelona

+34 93 647 39 50
+34 93 647 39 51
ES(ES)

drylin® N - sistema de guiado lineal de perfil plano NK-22-17-40

Sistema de guiado lineal de perfil plano drylin® N

Nº de art. Longitudes de raíl máx. a C4 A3 C5=C6 h h1 K1* ly lz Peso del raíl Precio/m  
  [L máx.]       Mín. max.       [mm2] [mm2] [g/m]    
Salida desde 1 día laborable NS-01-17 2000 17 60 0 20 20/49,5 5,5 0,9 M3 1700 120 150 25,84 EUR Añadir al carrito de la compra
Salida desde 1 día laborable NS-01-17-AR 2000 17 60 0 20 20/49,5 5,5 0,9 M3 1700 120 150 29,72 EUR Añadir al carrito de la compra
Salida desde 1 día laborable NS-01-17-UNGEBOHRT 2000 17 60 0 20 5,5 0,9 M3 1700 120 150 23,14 EUR Añadir al carrito de la compra
Más información sobre el producto seleccionado:
3D-CAD 3D-CAD
Solicitud de muestra Solicitud de muestra
PDF PDF
Consulta de precio Consulta de precio
myCatalog myCatalog

Para guías no perforadas, indique "Sin perforar" en el comentario.
* para tornillo de cilindro con cabeza baja

Sistema de guías lineales con perfil plano drylin® NK-02-17

Nº de art. Nº. de art. Peso del carro    
    [g]    
Salida desde 1 día laborable NW-22-17-40 Carro doble con agujero roscado 2,6 6,46 EUR Añadir al carrito de la compra
Salida desde 1 día laborable NW-22-17-40-LLY Carro doble con agujero roscado y cojinete flotante en "Y" 2,6 6,46 EUR Añadir al carrito de la compra
Salida desde 1 día laborable NW-22-17-40-LLYZ Carro doble con agujero roscado y cojinete flotante en "Y" y "Z" 2,6 6,46 EUR Añadir al carrito de la compra
Salida desde 1 día laborable NW-22-17-40-LLZ Carro doble con agujero roscado y cojinete flotante en "Y" 2,6 6,46 EUR Añadir al carrito de la compra
Más información sobre el producto seleccionado:
3D-CAD 3D-CAD
Solicitud de muestra Solicitud de muestra
PDF PDF
Consulta de precio Consulta de precio
myCatalog myCatalog

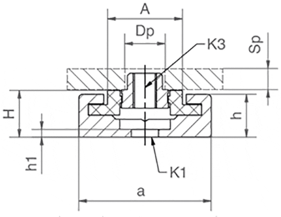
Dimensiones del carro de guiado [mm]

Nº Nº H A C C1 C2 A2 H2 K2 K3 K4 Sp mín. Dp Ø mín. Peso
  ±0,35                       [g/m]
Salida desde 1 día laborable NW-22-17-40 6 9,6 40 40 28 0 0 M3 2,5 5 2,6
Salida desde 1 día laborable NW-22-17-40-LLY 6 9,6 40 40 28 0 0 M3 2,5 5 2,6
Salida desde 1 día laborable NW-22-17-40-LLYZ 6 9,6 40 40 28 0 0 M3 2,5 5 2,6
Salida desde 1 día laborable NW-22-17-40-LLZ 6 9,6 40 40 28 0 0 M3 2,5 5 2,6
Más información sobre el producto seleccionado:
3D-CAD 3D-CAD
Solicitud de muestra Solicitud de muestra
PDF PDF
Consulta de precio Consulta de precio
myCatalog myCatalog

Solicite un sistema completo

Configuración en solo unos pocos pasos:

1. Seleccione el número de carros
2. Seleccione el tipo de carro
3. Introduzca la longitud del carro en mm
4. Sleecione las opciones del carro
5. Seleccione las opciones del raíl.

Aviso:

Encontrará más información en las fichas y planos técnicos, así como en los enlaces que se muestran a continuación. Por ejemplo, especificaciones sobre los tipos de cojinetes flotantes y las instrucciones de instalación.
1

Cojinete sin holgura

2

Cojinete con holgura en el eje Z

3

Cojinete con holgura en el eje Y

4

Cojinete con holgura en los ejes YZ

Juego completo drylin® NK

Paso 1

Introduzca el número de carros.

technical drawing
Nº de carros:

Capacidad de carga estática y momentos de inercia de un área

A = Ø perforación mín. 5 mm
B = Profundidad para apretar tornillos
C = para tornillos mecánicos M3
DIN 7984/DIN 6912/DIN 84
EN ISO 1707

Salida desde 1 día laborable

Consultas

Estaré encantado de responder a sus preguntas personalmente

Consultas y envíos

En persona:

De lunes a viernes de 8:00 a 18:00h

Online:

24h