Por favor seleccione el país de entrega adecuado

Algunos factores como el precio de los productos, su disponibilidad u otros servicios pueden verse afectados por la selección del país de entrega.
Contacto
igus® S.L.U.

Ctra. Llobatona, 6

Poligono Noi del Sucre

08840 Viladecans Barcelona

+34 93 647 39 50
+34 93 647 39 51
ES(ES)

Propiedades especiales del carro transversal

Gran precisión, resistencia extrema y alineación excelente gracias al proceso de fabricación CNC

Disponible en versiones estándar y con precarga

Ausencia de lubricación y corrosión

Ajuste con rosca trapezoidal TR 10x2

Montaje de la guía del eje «y» a la izquierda o a la derecha

Accesorios disponibles: volante, indicador de posición, etc.

Carro transversal

Tamaños de los módulos lineales en cruz SHT-XY

Módulo lineal drylin SHT-XY-08-AWM

SHT-XY-08-AWM

  • Longitud máx. de recorrido: 150 mm
  • Longitud del carro: 65 mm
  • Material del eje: aluminio
  • Diámetro del eje: 8 mm
Módulo lineal drylin SHT-XY-12-AWM

SHT-XY-12-AWM

  • Longitud máx. de recorrido: 350 mm
  • Longitud del carro: 85 mm
  • Material del eje: aluminio
  • Diámetro del eje: 12 mm

Versiones PL con precarga de muelle

Módulo lineal drylin SHT-XY-12-AWM-PL

SHT-XY-12-AWM-PL

  • Longitud máx. de recorrido: 350 mm
  • Longitud del carro: 85 mm
  • Material del eje: aluminio
  • Diámetro del eje: 12 mm
  • Con precarga
Módulo lineal drylin SHT-XY-20-EWM-PL

SHT-XY-20-EWM-PL

  • Longitud máx. de recorrido: 500 mm
  • Longitud del carro: 130 mm
  • Material del eje: acero inoxidable
  • Diámetro del eje: 20 mm
  • Con precarga

Mesas cruzadas SHT/SHT-PL


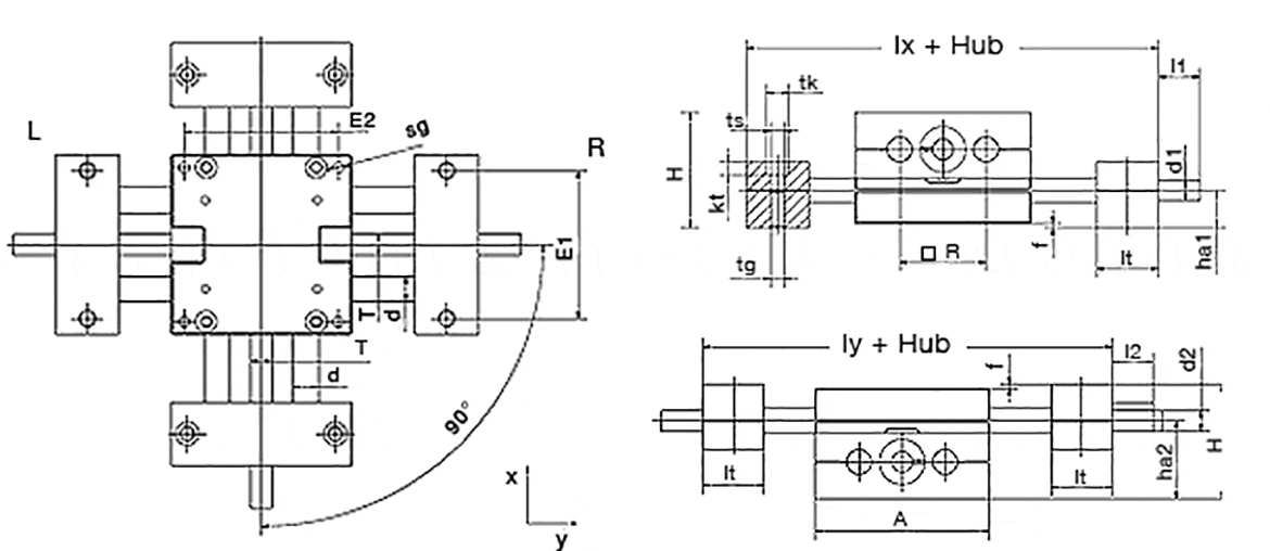
Longitud y peso del carro transversal [mm]

Nº de art. A
-0,3
[mm]
H
 
[mm]
E1
±0,15
[mm]
E2
±0,15
[mm]
Longitud
de la base lx
[mm]
Longitud
de la base ly
[mm]
R
 
[mm]
f
 
[mm]
lt
±0,1
[mm]
tk
 
[mm]
ts
 
[mm]
tg
 
kt
 
[mm]
Salida desde 10 días laborables SHT-XY-12 85 56 70 73 145 145 42 2 30 11 6,6 M8 6,4
Salida desde 10 días laborables SHT-XY-08 65 42 52 56 96 96 32 1,5 15,5 10 5,5 M6 7
Salida desde 10 días laborables SHT-XY-12-PL 85 56 70 73 145 145 42 2 30 11 6,6 M8 6,4
Salida desde 10 días laborables SHT-XY-20-EWM-PL 130 86 108 115 202 202 72 2 36 15 9 M10 8,6
Más información sobre el producto seleccionado:
3D-CAD 3D-CAD
Solicitud de muestra Solicitud de muestra
PDF PDF
Consulta de precio Consulta de precio
myCatalog myCatalog

Tamaños del carro transversal [mm]

Nº de art. sg
 

d
 
[mm]
T
 
l1
 
[mm]
d1
Estándar
d1
Alternativa
l2
 
[mm]
d2
Estándar
d2
Alternativa
ha1
 
[mm]
ha2
 
[mm]
W
ha2-ha1
[mm]
Salida desde 10 días laborables SHT-XY-12 M6 12 TR10x2 17 TR10x2 6h9 17 6h9 18 38 20
Salida desde 10 días laborables SHT-XY-08 M5 8 TR6x2/TR6,35x2,54 15,5 TR6x2/TR6,35x2,54 5 15 5 13 29 16
Salida desde 10 días laborables SHT-XY-12-PL M6 12 TR10x2 17 TR10x2 6h9 17 6h9 18 38 20
Salida desde 10 días laborables SHT-XY-20-EWM-PL M8 20 TR18x4 26 TR18x4 - 26 12h9 23 63 40
Más información sobre el producto seleccionado:
3D-CAD 3D-CAD
Solicitud de muestra Solicitud de muestra
PDF PDF
Consulta de precio Consulta de precio
myCatalog myCatalog
La mesa XY se suministra con el volante del eje Y en el lado izquierdo o en el lado derecho.
Izquierda: SHT-XY-12-AWM-L-200-300 para longitudes de carrera de 200 mm en el eje X y de 300 mm en el eje Y.
Derecha: SHT-XY-12-AWM-R-200-300 para longitudes de carrera de 200 mm en el eje X y de 300 mm en el eje Y

Posibilidades técnicas de la serie SHT

Las siguientes opciones están disponibles para la gama SHT-XY.


Más información y accesorios del carro transversal



Salida desde 10 días laborables

Consultas

Estaré encantado de responder a sus preguntas personalmente

Consultas y envíos

En persona:

De lunes a viernes de 8:00 a 18:00h

Online:

24h