Cambiar idioma :

La tecnología de accionamiento drylin ofrece módulos lineales de husillo, correa dentada o cremallera que no requieren lubricación y pueden accionarse tanto de forma eléctrica como manual, a través de volantes o motores eléctricos. Además de una amplia gama de diseños estándar, igus también ofrece sistemas lineales para requisitos especiales, por ejemplo, módulos lineales de plástico ligeros o módulos lineales de acero inoxidable para cargas elevadas.
Los módulos lineales drylin se caracterizan por una larga vida útil, gran precisión y la máxima fiabilidad. Además, son resistentes a la suciedad, ligeros, silenciosos y adecuados para prácticamente todas las aplicaciones y sectores a nivel mundial. Además, pueden personalizarse según sus necesidades en el configurador de tecnología de accionamiento.
Los módulos lineales de tecnología drylin no necesitan lubricantes. El movimiento del sistema se acciona mediante husillos, correas dentadas o cremalleras. Encuentre la solución adecuada para su aplicación.

Configure ahora su módulo lineal con los parámetros necesarios para su aplicación. Con una precisión milimétrica y listo para instalar.
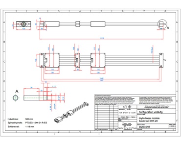
Los módulos lineales de husillo ofrecen una gran capacidad de carga y son ideales para aplicaciones en las que la precisión y la transferencia de fuerza son importantes. Son muy adecuados para movimientos verticales y aplicaciones con cargas pesadas. El accionamiento por husillo garantiza un posicionamiento robusto y preciso.
Los módulos lineales de correa dentada son ideales para aplicaciones que requieren altas velocidades y movimientos dinámicos. Ofrecen alta aceleración y repetibilidad. La transmisión por correa dentada permite un movimiento silencioso y de baja fricción.
Los módulos lineales de cremallera ofrecen una combinación de alta velocidad, precisión y capacidad de carga. Son especialmente adecuados para largas distancias y movimientos horizontales. La transmisión por cremallera permite un movimiento suave y fuerte a lo largo del módulo.
Nuestros diferentes accionamientos lineales ofrecen una amplia variedad de ventajas para todo tipo de aplicaciones.
Sí, los módulos lineales drylin E no necesitan lubricantes, por lo que son especialmente resistentes a la suciedad. Nuestros sistemas de accionamiento pueden utilizarse incluso con arena, virutas y polvo.
Hemos reunido una selección de módulos lineales compactos para espacios de instalación especialmente reducidos. Puede elegir entre módulos lineales de husillo o correa dentada, que pueden accionarse manualmente o por motor.
También puede utilizar nuestros módulos lineales listos para instalar para accionamientos de husillo motorizado. Al montar directamente el husillo en el motor, que se conecta sin necesidad de añadir una brida de motor o un acoplamiento, puede ahorrar hasta un 35% de espacio en función de la versión.
En igus® encontrará numerosos accesorios técnicos para accionamientos manuales y eléctricos. Nuestra gama de productos abarca desde elementos de control, como indicadores de posición y volantes, hasta accesorios de fijación y montaje y motores eléctricos individuales en una gran variedad de diseños. Aquí encontrará un resumen de todos los accesorios para módulos lineales.
Para recorridos muy largos, ofrecemos un módulo lineal de engranaje sin fin. Se basa en un accionamiento de piñón y cremallera y puede ampliarse casi sin fin mediante un perfil de carro interconectado. También se pueden controlar varios carros en paralelo o independientemente unos de otros.

El configurador online de tecnología de accionamiento le permite obtener su módulo lineal personalizado de husillo, correa dentada o cremallera con sólo introducir sus requisitos. También puede solicitar directamente motores, sistemas de control y otros accesorios.

En persona:
De lunes a viernes de 8:00 a 18:00h
Online:
24h