Por favor seleccione el país de entrega adecuado

Algunos factores como el precio de los productos, su disponibilidad u otros servicios pueden verse afectados por la selección del país de entrega.
Contacto
igus® S.L.U.

Ctra. Llobatona, 6

Poligono Noi del Sucre

08840 Viladecans Barcelona

+34 93 647 39 50
+34 93 647 39 51
ES(ES)

drylin® N - sistema de guiado lineal de perfil plano NK-02-27

Nº de art. Longitudes de raíl máx. a C4 A3 C5=C6 h h1 K1* ly lz Peso del raíl Precio/m  
  [L máx.]       Mín. max.       [mm2] [mm2] [g/m]    
Salida desde 1 día laborable NS-01-27 3000 27 60 0 20 20/49,5 9 1,1 M4 6524 588 290 33,65 EUR Añadir al carrito de la compra
Salida desde 1 día laborable NS-01-27-UNGEBOHRT 3000 27 0 0 0 9 1,1 0 6524 588 290 30,62 EUR Añadir al carrito de la compra
Salida desde 1 día laborable NS-01-27-AR 3000 27 60 0 20 20/49,5 9 1,1 M4 6524 588 290 40,39 EUR Añadir al carrito de la compra
Más información sobre el producto seleccionado:
3D-CAD 3D-CAD
Solicitud de muestra Solicitud de muestra
PDF PDF
Consulta de precio Consulta de precio
myCatalog myCatalog

Para guías no perforadas, indique "Sin perforar" en el comentario.
* para tornillo de cilindro con cabeza baja

Versión 01: Carro con tuercas de fijación

Nº de art. Nº. de art. Peso del carro    
    [g]    
Salida desde 1 día laborable NW-02-27-HT Carro clipado, temperaturas hasta de 130°C 12,5 12,84 EUR Añadir al carrito de la compra
Salida desde 1 día laborable NW-02-27-P Carro con precarga 12,5 5,13 EUR Añadir al carrito de la compra
Salida desde 1 día laborable NW-02-27-LLY Carro, cojinete flotante en dirección "Y" 12,5 5,13 EUR Añadir al carrito de la compra
Salida desde 1 día laborable NW-02-27-LLZ Carro, cojinete flotante en dirección "Z" 12,5 5,13 EUR Añadir al carrito de la compra
Salida desde 10 días laborables NW-02-27-LLYZ Carro, cojinete flotante en direcciones "Y" y "Z" 12,5 5,13 EUR Añadir al carrito de la compra
Más información sobre el producto seleccionado:
3D-CAD 3D-CAD
Solicitud de muestra Solicitud de muestra
PDF PDF
Consulta de precio Consulta de precio
myCatalog myCatalog

Versión 01: Tamaños [mm] - carros de guiado

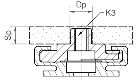
Nº Nº H A C C1 C2 A2 H2 K2 K3 K4 Spmin. DpØmin. Peso
  ±0,35                       [g/m]
Salida desde 1 día laborable NW-02-27-HT 9,5 14 40 30 20 0 0 6,5 12,5
Salida desde 1 día laborable NW-02-27-P 9,5 14 40 30 20 0 0 M4 5 6,5 12,5
Salida desde 1 día laborable NW-02-27-LLY 9,5 14 40 30 20 0 0 M4 5 6,5 12,5
Salida desde 1 día laborable NW-02-27-LLZ 9,5 14 40 30 20 0 0 M4 5 6,5 12,5
Salida desde 10 días laborables NW-02-27-LLYZ 9,5 14 40 30 20 0 0 M4 5 6,5 12,5
Más información sobre el producto seleccionado:
3D-CAD 3D-CAD
Solicitud de muestra Solicitud de muestra
PDF PDF
Consulta de precio Consulta de precio
myCatalog myCatalog

Versión 12: Carro con agujero roscado moldeado por inyección

Nº de art. Nº. de art. Peso del carro    
    [g]    
Salida desde 1 día laborable NW-12-27-LLY Carro moldeado por inyección, cojinete flotante en dirección "Y" 13 5,13 EUR Añadir al carrito de la compra
Salida desde 1 día laborable NW-12-27-LLZ Carro moldeado por inyección, cojinete flotante en dirección "Z" 13 5,13 EUR Añadir al carrito de la compra
Salida desde 1 día laborable NW-12-27-LLYZ Carro moldeado por inyección, cojinete flotante en direcciones "Y" y "Z" 13 5,13 EUR Añadir al carrito de la compra
Más información sobre el producto seleccionado:
3D-CAD 3D-CAD
Solicitud de muestra Solicitud de muestra
PDF PDF
Consulta de precio Consulta de precio
myCatalog myCatalog

Versión 12: Tamaños [mm] - carros de guiado

Nº Nº H A C C1 C2 A2 H2 K2 K3 K4 Spmin. DpØmin. Peso
  ±0,35                       [g/m]
Salida desde 1 día laborable NW-12-27-LLY 9,5 14 34 30 20 0 0 M4 5 6,5 13
Salida desde 1 día laborable NW-12-27-LLZ 9,5 14 34 30 20 0 0 M4 5 6,5 13
Salida desde 1 día laborable NW-12-27-LLYZ 9,5 14 34 30 20 0 0 M4 5 6,5 13
Más información sobre el producto seleccionado:
3D-CAD 3D-CAD
Solicitud de muestra Solicitud de muestra
PDF PDF
Consulta de precio Consulta de precio
myCatalog myCatalog

Solicite un sistema completo

Configuración en solo unos pocos pasos:

1. Seleccione el número de carros
2. Seleccione el tipo de carro
3. Introduzca la longitud del carro en mm
4. Seleccione las opciones del carro
5.

Aviso:

Encontrará más información en las fichas y planos técnicos, así como en los enlaces que se muestran a continuación. Por ejemplo, especificaciones sobre los tipos de cojinetes flotantes y las instrucciones de instalación.
1

Cojinete sin holgura

2

Cojinete con holgura en el eje Z

3

Cojinete con holgura en el eje Y

4

Cojinete con holgura en los ejes YZ

Juego completo drylin® NK

Paso 1

Introduzca el número de carros.

technical drawing
Nº de carros:


Salida desde 1 día laborable
Salida desde 10 días laborables

Consultas

Estaré encantado de responder a sus preguntas personalmente

Consultas y envíos

En persona:

De lunes a viernes de 8:00 a 18:00h

Online:

24h