Por favor seleccione el país de entrega adecuado

Algunos factores como el precio de los productos, su disponibilidad u otros servicios pueden verse afectados por la selección del país de entrega.
Contacto
igus® S.L.U.

Ctra. Llobatona, 6

Poligono Noi del Sucre

08840 Viladecans Barcelona

+34 93 647 39 50
+34 93 647 39 51
ES(ES)

igubal® KGLM-H fácil movimiento

Silencioso

Tolerancia reducida

Fácil de montar

Resistente a los productos químicos y a la corrosión

Compensación de los errores de alineamiento y movimiento preciso

Nº de Art.. Carga estática
máxima a corto plazo
Carga estática
máxima a largo plazo
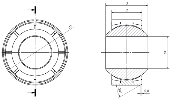
d1 d2 B C f Ángulo de inclinación
máximo
Peso    
  radial
[N]
axial
[N]
radial
[N]
axial
[N]
[mm] [mm] [mm] [mm]     [g]    
Más información sobre el producto seleccionado:
myCatalog myCatalog

Consultas

Estaré encantado de responder a sus preguntas personalmente

Consultas y envíos

En persona:

De lunes a viernes de 8:00 a 18:00h

Online:

24h