MODELO DESCATALOGADO
Disponible con recargo de precio y un plazo de entrega mayor.
Para nuevos diseños se recomienda el uso de la nueva cadena portacables serie H4.80. Ofrece +25% de longitud autosoportada, mayor estabilidad y resistencia a la tracción, y las mismas dimensiones (también de conexión). En caso de cualquier duda, póngase en contacto con igus®. Gracias por su comprensión.
Cadena portacables serie H4.80
Aquí puede configurar su sistema de cadenas portacables. Todos los datos introducidos y todas las modificaciones se transfieren a la lista de piezas que se encuentra al final de la página.
Series 51 - cadena portacables con travesaños en cada segundo eslabón
1. Terminal KMA de montaje
2. Disponible Terminal rígido u oscilante
3. R98: Tapa basculante y desmontable
4. R98: Bandejas desmontables
5. Puede combinarse una cadena portacables con un tubo portacables
6. Los peines de fijación pueden integrarse en los terminales
7. 50/51: travesaños extraíbles en ambos lados
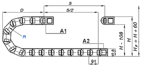
Disponible anchuras interiores: de 50 a 600 mm
disponible radios flexibles: de 150 a 1.000 mm
Paso: 91 mm por eslabón = 11 eslabones/m